Katalog

Mito 2 Kolon

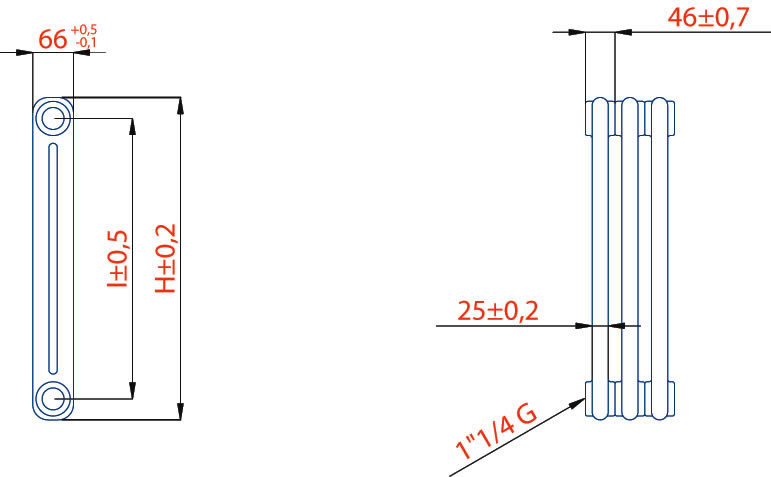
Mito 2 sütun, 66 mm derinliğe sahip olup, her bir eleman için 300 mm yükseklikte 24,3 watt’tan 2500 mm yükseklikte 180,01 watt’a kadar ısı gücü sunar.

Mito 2 Sütun, 66 mm derinliğe sahip olup, her bir eleman için 300 mm yükseklikte 24,3 watt’tan 2500 mm yükseklikte 180,01 watt’a kadar ısı gücü sunar.

TEKNİK ÇİZİM

14

Codice Prodotto Altezza
[mm]
Interasse
[mm]
Profondità
[mm]
Peso
[kg]
Emissioni
Dt=50°C [W]
Exp
MI2030 MI 2 X 300 300 230 66 0,50 24,30 1,24
MI2040 MI 2 X 400 400 330 66 0,60 31,10 1,25
MI2050 MI 2 X 500 500 430 66 0,80 38,00 1,26
MI2056 MI 2 X 570 570 500 66 0,90 42,80 1,26
MI2060 MI 2 X 600 600 530 66 0,90 44,80 1,26
MI2066 MI 2 X 670 670 600 66 1,00 49,60 1,27
MI2068 MI 2 X 685 685 615 66 1,10 50,60 1,27
MI2075 MI 2 X 750 750 680 66 1,10 55,00 1,27
MI2076 MI 2 X 770 770 700 66 1,20 56,30 1,27
MI2086 MI 2 X 865 865 795 66 1,30 62,70 1,28
MI2088 MI 2 X 885 885 815 66 1,40 64,10 1,28
MI2090 MI 2 X 900 900 830 66 1,40 65,10 1,28
MI2100 MI 2 X 1000 1000 930 66 1,50 72,10 1,29
MI2120 MI 2 X 1200 1200 1130 66 1,80 85,60 1,30
MI2150 MI 2 X 1500 1500 1430 66 2,20 106,40 1,31
MI2180 MI 2 X 1800 1800 1730 66 2,60 127,70 1,32
MI2200 MI 2 X 2000 2000 1930 66 2,90 142,30 1,32
MI2220 MI 2 X 2200 2200 2130 66 3,20 157,20 1,32
MI2250 MI 2 X 2500 2500 2430 66 3,60 180,10 1,32






 7/24 Asistanımıza Sorun